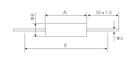
A(体长): 7.0~46.5 mm
ΦB(直径): 3.0~10.0 mm
Φd(引线): 0.6~1.0 mm
F(总长): 27.0~66.0 mm
无感绕线电阻 (BWL/BVR系列)
轴向引线 · 无感绕线结构 · 高可靠性 · 宽阻值范围
无感特性 & 耐脉冲
采用特殊绕线工艺,电感值极低,适合高频吸收、缓冲电路;优异的浪涌承受能力
产品系列
BWL / BVR (无感/耐浪涌)
功率范围
0.5W ~ 10W (25℃下)
阻值范围
0.002Ω (R002) ~ 39KΩ (依功率而定)
精度等级
±0.1%(B) ±0.5%D ±1%(F) ±2%(G) ±5%(J)
温度系数
±50PPM/℃ ~ ±300PPM/℃ (依阻值)
封装形式
轴向引线,阻燃涂层,符合UL94V-0
工作温度
-55°C ~ +155°C
无感设计 | 耐浪涌 | 阻值低至0.002Ω
产品特点
- 无感绕线结构,极低电感,适合高频电路
- 宽阻值范围:从毫欧级到数十千欧
- 高功率密度,小体积实现大功率
- 耐脉冲、浪涌能力强,适用于缓冲吸收
- 阻燃涂层,安全可靠
- 符合RoHS,无铅环保
产品描述
技术规格
应用领域
资料下载
产品概述
BWL/BVR系列无感绕线电阻是硕为科技专为高频、脉冲及大功率场合开发的轴向引线电阻器。采用高强度陶瓷芯作为基体,通过特殊无感绕线工艺绕制合金电阻丝,外层涂覆耐高温阻燃绝缘漆。该系列电阻具有极低的寄生电感(典型值< 10nH,视功率而定),出色的抗浪涌能力,以及宽广的阻值范围(从0.002Ω到39KΩ)。产品广泛应用于开关电源缓冲电路、变频器制动电阻、电机驱动吸收回路、以及各类需要高可靠性和耐脉冲的电子设备。
生产工艺与质量保证
产品严格按照ISO9001质量管理体系生产,关键工序包括:陶瓷基体预处理、精密绕线、激光调阻、耐压测试、脉冲测试等。每批产品均经过严格的电气性能和环境可靠性测试,确保在严苛条件下稳定工作。
典型应用案例
IGBT吸收电路: 在变频器中,使用BVR系列3W 10Ω无感电阻作为IGBT关断尖峰吸收电阻,有效抑制电压过冲,提高系统可靠性。
详细规格表 (BWL / BVR 系列)
额定功率基于环境温度25℃;阻值代码:R01=0.01Ω, R1=0.1Ω, 1R=1Ω, 100R=100Ω, 1K=1000Ω, 10K=10000Ω。
| 型号 Type |
额定功率 (W) @25℃ |
阻值范围 Resistance Range (Ω) | 外形尺寸 Dimensions (mm) | ||||
|---|---|---|---|---|---|---|---|
| 最小值 Min | 最大值 Max | A ±0.25 | ΦB ±0.25 | Φd | F | ||
| BWL/BVR | 0.5 | R01 ~ R1 | R1 ~ 100R | 7.0 | 3.0 | 0.6 | 27.0 |
| BWL/BVR | 1.0 | R002 ~ R1 | R2 ~ 1K | 11.0 | 3.0 | 0.8 | 31.0 |
| BWL/BVR | 3.0 | R002 ~ R1 | R2 ~ 10K | 14.8 | 5.2 | 0.8 | 34.0 |
| BWL/BVR | 4.0 | R005 ~ 1R | R5 ~ 15K | 19.0 | 7.0 | 0.8 | 38.0 |
| BWL/BVR | 5.0 | R005 ~ 1R | 1R ~ 24K | 24.0 | 8.4 | 1.0 | 44.0 |
| BWL/BVR | 7.0 | R005 ~ 1R | 1R ~ 24K | 27.0 | 9.5 | 1.0 | 47.0 |
| BWL/BVR | 10.0 | R01 ~ 1R | 1R ~ 39K | 46.5 | 10.0 | 1.0 | 66.0 |
注:最小值/最大值列中的范围表示该功率等级下可实现的阻值区间。例如0.5W可覆盖0.01Ω~100Ω,具体取决于阻值代码。外形尺寸单位为毫米,Φd为引线直径,F为包括引线的总长度。可提供特殊阻值及精度订货。
产品尺寸
环境性能与可靠性
| 📌 试验项目 (Test Item) | ⚙️ 性能要求 (Specifications) |
|---|---|
| 精度 Tolerances |
±0.1% (B)
±0.5% (D)
±1% (F)
±2% (G)
±5% (J)
可选精度代码,符合EIA标准
|
| 温度系数 Temperature coefficient |
📈 见图2 (TCR 曲线图)
温度系数特性曲线详见规格书图2,典型值根据阻值范围优化
|
| 绝缘电压 Insulation voltage |
500 V,△R ≤ ±0.1% R
施加500V电压后,阻值变化率不超过±0.1%
|
| 绝缘电阻 Insulation resistance |
> 1 GΩ
常态绝缘电阻值 > 1GΩ,高绝缘可靠性能
|
| 温度范围 Temperature range |
-55 °C ~ +175 °C
宽温区工作,满足严苛环境应用
|
| 降功耗 Derating |
当环境温度由 25 °C 升至 175 °C 时,电阻器允许负荷由额定功率的 100% 线性降至 0%。
符合降功耗曲线标准,确保高温工作安全
|
| 长期实验 Load life |
P70°C · 1000 hrs △R ≤ ±1% R 70°C 额定功率下,寿命试验1000小时阻值漂移 ≤ ±1%
|
| 稳态湿热 Damp heat, steady state |
40 °C / 93% RH · 21 天 △R ≤ ±0.5% R 高温高湿稳态老化后,阻值变化率 ≤ ±0.5%
|
| 引出端强度 Terminal tensile strength |
△R ≤ ±0.1% R
拉力/弯曲应力试验后,阻值变化极小,结构可靠性优异
|
| 耐焊接热 Resistance to soldering heat |
350 °C / 3.5 s △R ≤ ±0.1% R 模拟波峰焊/手工焊耐热冲击,阻值高稳定性
|
| 可焊性 Solderability |
IEC 68-2-20 (1968) 槽焊法 焊槽温度 235 ± 0.5 °C,浸渍时间 2 ± 0.5 s (Solder bath method) 满足国际标准可焊性要求,上锡均匀饱满,无浸润不良
|
主要应用领域
- 开关电源缓冲电路 (Snubber)、RCD吸收
- 变频器、伺服驱动器制动电阻
- 电机启动限流、过流检测
- 高频脉冲负载、谐波抑制电路
- 工业电源、充电桩电流采样
- 医疗设备除颤器放电电阻
高频应用优势
由于采用无感绕线工艺,BWL/BVR系列在1MHz以下频率呈现几乎纯阻性,特别适合高频开关电源的电流检测和缓冲吸收。
资料下载
如需详细规格书、3D模型或可靠性报告,请联系销售代表或通过以下方式索取: